Call me back
|
My basket
|
Checkout
|
Add to email list
You are here:
Website
»
Knowledge base
« back to website
Introduction
Hardware
ANALOG8
Parts Supplied
Before using the unit
Connecting to other equipment
Daisy Chaining Analog8
PC Config and Reflash
Data output
Pin connections
Specifications
Software
How Do I
Connect 1 or 2 wire sensor
Connect CAN output
ANALOG16
Parts supplied
Before starting
Specification
LED functions
Mounting the unit
Connections
CAN Interface
Introduction
Parts Supplied
Before You Begin
Description
Connecting CAN to Other Equipment
DL1 or DL2 only
Dash2 only
DL1 and Dash2
PC configure and reflash
DL1 and PC monitor
PC monitor only
OBD adapter
Daisy Chaining
Terminating the CAN
Configuration
Channel Names
Temperature Channels
Frequency Channels
PercentageChannel Data
Time Channel Data
Byte Ordering
Pin Connections
Physical Parameters
Software
CATS
Quickstart Guide - Brake Testing
System Installation
DASH4PRO Screen
System Operation
Lemo Connector Version
DASH2
Introduction
Technical Specification
What is in the box
Installation
Physical Installation
Further Reading
Electrical Installation
Connection to Data Logger
Switch Inputs
Connection to Vehicle Wiring Harness
Analogue Inputs
Getting started
Setting up from a PC
Operation
Menu Structure
Changing Displayed information
Start and Stop Logging from DASH2
Further Details
Outputting the DASH2 analogue channels to the DL1 or DL2
Programming Soft Buttons
Reviewing Min and Max Data Values
Shift Light Brightness
Lap timing
Setting up the display for lap timing
Adding Track Markers from Hardware
Adding Track Markers from Software
Lap Marker Files
Lap Timing Operation
Predictive Lap Times
Target Marker and Sector Times
Further Reading
Reflashing
FAQ
Software
How do I
Connect my own sensor
Reflash the unit from a PC
Force Reflash a DASH2
Connect buttons
Reflash the unit from a DL1
Communicate with a logger
Name a sensor channel
Find out the firmware version
Find out about new firmware releases
Find out about new software releases
Set the alarm level
Set up the display
Connect a sensor
Connect a wheel speed sensor
Connect My Fuel Sender
Configure RPM
Do lap and sector timing
Connect a 1 or 2 wire sensor
Potenza Version
DASH2 PRO
Introduction
Technical Specification
What is in the box
DASH2 PRO Installation
Physical Installation of DASH2 PRO
Electrical Installation
Connection to Data Logger
Switch Inputs
Connection to Vehicle Wiring Harness
Analogue Inputs
Output Drivers
Accelerometer configuration
Vehicle Installation Kits
Lotus Elise S1
Lotus Elise S2
Yamaha R1 and R6
Getting started
Setting DASH2 PRO up from a PC
DASH2PRODefaultConfiguration
DASH2 PRO Operation
Menu Structure
Internal Data Process
Perform Action
Warning Review
Review Session
Select Conf Set
Configure
Lap Timing
Test
Internal Data Channels
Main display features
Changing Displayed information
Start and Stop Logging from DASH2 PRO
Programming Soft Buttons
Reviewing Min and Max Data Values
Resetting Monitored Value
Selecting Driver And Mode From The DASH2 PRO
Data Logging and lap timing on the DASH2 PRO
Data logging on the DASH2 PRO
DASH2 PRO Status-Warning-Error Messages
LAP timing Errors-Warnings
Track marker Status-Error-Warning messages
Other Errors-Warnings
Start logging errors
Stop logging errors
Reflash Status-Error-Warning messages
DASH2 PRO Lap timing
Setting up the display for lap timing
Adding Track Markers from Hardware
Adding Track Markers from Software
Lap marker files on the DASH2 PRO internal memory
Automatic and manual lap timing
List of tracks supported on the DASH2PRO
FAQ
Software
DASH2 PRO - How do I
Reflash the unit from a PC
Name a sensor channel
Find out about new firmware releases
Find out about new software releases
Set up the speedometer
Set the alarm level
Set up the display
Connect a sensor
Connect a wheel speed sensor
Connect My Fuel Sensor
Configure RPM
Use the gear indicator
Connect a 1 or 2 wire sensor
Map analogue input voltages from a DL1 MK2 as sensor values
Map vehicle speed data from an ECU interface
Connect and set up a GoPro interface cable
DASH4PRO
Software Support
Technical Specification
Typical DASH4PRO System
Installing The DASH4PRO
Operating the DASH4PRO
Menu Structure
Operating the Menu
Session Review
Editing Button Functions
Configuring Shift Lights
Changing the Shift Light brightness
Changing the Brightness of the Display
Changing the Contrast of the Display
Warning and Sector Display Times
View Firmware Information
View Serial Number of the Connected Logger
Demo Mode
Night Mode
Monitoring Variables
Start or Stop Data Logger from DASH4PRO
Connections
Displaying Data
Displaying information messages
Performance Meter
Performance meter settings
Lap Timing on DASH4PRO
Adding Track Markers from the DASH4PRO
Adding track markers from the DL1, DL1 MK3, or DL2
Adding Markers from the Analysis software
Lap and Sector Screens
Lap and Sector time Statistics
Live Time Slip
Setting up Alarms
Cancelling and Clearing Alarms
Configuring the DASH4PRO Unit
Standard Configuration
Creating a Custom Configuration
Changing the Existing Configuration
Sending Configuration to the DASH4PRO
Reflashing The DASH4PRO
How To
Adding A Gear Indicator
FAQs
DASH4PRO FD
Software Support
Technical Specification
Typical DASH4PRO FD System
Installing The DASH4PRO FD
Operating the DASH4PRO FD
DASH4PRO FD Menu Structure
Operating the DASH4PRO FD Menu
Editing Button Functions
Configuring Shift Lights
Changing the Shift Light brightness
Changing the Brightness of the Display
Warning Display Time
View Firmware Information
Demo Mode
Night Mode
Monitoring Variables
Start or Stop Data Logger from DASH4PRO FD
Connections
Displaying Data
Displaying information messages
Lap Timing on DASH4PRO FD
Adding Track Markers from the DASH4PRO FD
Adding track markers from the DL1 MK3
Adding Markers from the Analysis software
Lap and Sector Screens
Lap and Sector time Statistics
Live Time Slip
Setting up Alarms
Cancelling and Clearing Alarms in DASH4PRO FD
Configuring the DASH4PRO FD Unit
Creating a Custom Configuration
Changing the Existing Configuration
Sending Configuration to the DASH4PRO
Reflashing The DASH4PRO FD
How To - DASH4PRO FD
Adding A Gear Indicator
FAQs - DASH4PRO FD
DL1 FD
Introduction
Tech Specification
Installation
Connections
DL1 FD quick start guide
Installing the DL1 FD in the vehicle
DL1 FD default configuration
Logging data using the DL1 FD
Analysing data from the DL1 FD
Operation
External sensors
Live speed option
How do I?
Manually commence logging on DL1 FD
Connect a start stop switch to the DL1 FD
Loading a licence file
Connect 1 or 2 wire sensor to DL1 FD
Read data from an ECU to display or log DL1 FD
Log DASH2 analogue inputs using DL1 FD
Why will not my DL1 FD start logging
Connect an RPM input to the DL1 FD
Why did my DL1 FD stop
Wiring external LEDs to the DL1 FD AUX connector
FAQ
DL1 MK3 / CLUB
Introduction
Tech Specification
Installation
Quick Start Guide
Installing the DL1 MK3/CLUB in the vehicle
DL1 MK3/CLUB Default Configuration
Logging data using the DL1 MK3/CLUB
Analysing data from the DL1 MK3/CLUB
Operation
External sensors
Connections
How do I
Manually commence logging on DL1 MK3/CLUB
Identify my DL1 MK3/CLUB
Load a licence file
Connect a start stop switch to the DL1 MK3/CLUB
Connect and set up a GoPro interface cable
Connect a logging indicator to the DL1 MK3/CLUB
Fitting a cable to the black connector to power the DL1 MK3/CLUB
Connect a One Or two Wire Sensor
Read data from an ECU to display or log
Log DASH2 analogue inputs using DL1 MK3/CLUB
Why will not my DL1 MK3/CLUB start logging
Connect an RPM input to the DL1 MK3/CLUB
Why did my DL1 MK3/CLUB stop
Updating DL1 CLUB firmware for config software compatibility
FAQ
Software
DL1 SPORT
Introduction
Tech Specification
Installation
Quick start guide
Installing the DL1 SPORT in the vehicle
Logging Data
Analysing Data
Operation
External sensors
Connections
How Do I
Manually commence logging
Identify my unit
Connect a start stop switch
Connect and set up a GoPro interface cable
Fitting a cable to the black connector to power the DL1 SPORT
Connect 1 or 2 Wire Sensor
Read data from an ECU
Log DASH2 analogue inputs
Why will not my DL1 SPORT start logging
Log from a DASH2
Log Automatically
Why did my unit stop
Reflash a DL1 SPORT from a PC
Manage without a serial port
Obtain a video license
FAQ
Software
ECU Interface
Parts Supplied
Before using the unit
Connecting to Other Equipment
PC configure and reflash
Daisy Chaining
Configuration
Data output Channels
ECU Decode License
AEM ECUs
AIM Data Protocol
Autronic ECUs
Electromotive Tec3 ECUs
Emerald ECUs
EMS ECUs
Hydra ECUs
KMS ECUs
MBE ECUs
MoTeC ECUs
Motorsport Electronics ECUs
Nira ECUs
OMEX ECUs
Pectel ECUs
Tatech ECUs
VEMS ECUs
Vi-PEC ECUs
Zeitronix ECUs
ECU Type
Adaptronic
AEM ECU
AEM Infinity
AEM Series 2
AiM
Audi
AUTRONIC SMC v191-192-199
AUTRONIC SM2 v191-192-194-199
AUTRONIC SM2 v193 and v195
Autronic SM3 and SM4 v109 to v115
Autronic SM4 up to v107
Autronic SM4 v108
BMW E46 M3 CAN
BMW PT6
BMW Z4 e85 2003 – 2008
BOSCH MS4
Canems ECU
SEAT_SPORT_GROUP
DTA E48 and P8 PRO ECUs
DTA S40 S60 S80-Serial ECU
DTA S-Series
DTA T-Series
ECUMASTER EMU v1-23
ECU Master EMU Black
EFI Euro 4
EFI Euro 6
EFI Euro 8
EFI Euro 12
Electromotive TEC3 and TEC3r
Electromotive TEC GT ECU
Electromotive Tec S ECU
EMS Stinger 8860 - 6860 and 4860
EMERALD K3 - K6 - M3D
EMERALD K3 and K6-CAN
EMSIS 80 AHRS
EMtron KV8/12/16 ECU
e-RACE CAN
Fartstrup FFJ103-1 and FFJ105-2
GEMS EM36
GEMS EM40
GEMS EVO9
Gems EVo X CAN
GM C6 LS2
Haltech V1 and V2, PS1000
HKS F-CON V Pro V3-0 and 3-1
HKS F-CON V Pro V3-2 and 3-3
HONDA CTR FD2
HONDATA K SERIES ECU
HONDATA K4Pro CAN and S300 ECU
HYDRA ECU
Ignijet ECU
KMS MP25 ECU
KMS MD35 - CAN
KMS KTM x bow
Life Racing F88
Link G4_VIPEC - CAN
Link G4_VIPEC V44_V88 and i-serial - RS232
Link G4+ and LINK G4X CAN
Lotus Elise Exige
Maf-Map-Engineering ECU481
Maserati
MaxxECU
MAZDA 3 from 2004-2009
MAZDA MX5-NC from 2008
MAZDA MX5-ND from 2015
MBE 941 Serial Interface
MBE 967 Serial Interface
MBE 9A4 and MBE 992 CAN
Megasquirt MS2 Serial Interface
Megasquirt CAN interface
MoTeC M1 Series
MoTeC M4 and M48
MoTeC M84
MoTeC M400 M600 M800 SERIAL
MoTeC M400 M600 M800 CAN
Motorsport Electronics ME442 CAN
Nira I3+
Nira I7 STREET
OMEX 100 and 500
OMEX 600 and 710
PECTEL ECU
Porsche 911-991
Porsche - 991 GT3 Gen2
Porsche 996 Bosch 7-8-1
Porsche Seimens EMS ECU
SCS delta GD14
SIMTEK ECU
Skynam Sybele
Specialist components Tornado and Typhoon
Syvecs CAN
Tatech V05 ECU
Tatech T32 ECU
Toyota GT86
Triumph Motorbike CAN
VEMS ECU
VW
Pin Connections
Specifications
Software
Requirements for ECU interface data
Other references
How do I
Check interface is working
GNSS2
What is in the box
Specification
Connections
Display information
Output data format
Selection of GNSS correction source
Using radio link modem
Using internet connection
Installing the GNSS2
GNSS2 software
GPS2
Overview And Features
What is in the box
Specification
Connections
LED Functions
Output Data Format
Selection of GNSS correction source
GPS2 RTK using with base station
GPS2 RTK using with Internet Connection
Installing the GPS2
Using the GPS2 with the Race Technology CATS
IMU06
Specifications
General Specification
Gyroscopes
Accelerometers
Connections
Waterproof Version
Installing Configuring and Calibrating
Installing the IMU06
Configuring the IMU06
Calibrating the IMU06
Dimensions
Mounting the unit
IMU06
IMU06WP
Data Formats
CAN Data Format
RS232 data format
IMU06-tactical
Specification
General Specification
Gyroscopes
Accelerometers
Mounting the unit
Connections
OBDII Interface
Universal OBDII
Parts Supplied
Before You Begin
Connecting the Universal OBDII Interface
Universal OBDII With DL1 or DL2 Data Logger Only
Universal OBDII With Dash2 Display Only
Universal OBDII With Data Logger and Display
Universal OBDII With RT LIVE and DASH2 Display
Universal OBDII With PC Compatible Computer for Reflashing
Universal OBDII With Data Logger and PC
Universal OBDII With PC Only for Real Time Data Viewing
VIDEO4 combined video_data logger and ECU
VIDEO4 and DL1 or DL2 and ECU
VIDEO4 and DASH2_DASH3_DASH4PRO or VOB and ECU
VIDEO4 and DL1 or DL2 and DASH2_ DASH3_DASH4PRO or VOB and ECU
Universal OBDII Compatibility
Vehicle OBD Connector Pin Assignments For Universal OBDII
Universal OBDII Configuration
Universal OBDII LED states
Universal OBDII Data Output Channels
Universal OBDII Pin Connections
Universal OBDII Specifications
CAN OBDII
Parts Supplied
Before You Begin
Connecting the CAN OBDII interface
CAN OBDII With DL1 or DL2 Data Logger Only
CAN OBDII With Dash2 Display Only
CAN OBDII With Data Logger and Display
CAN OBDII With PC Compatible Computer for Reflashing
CAN OBDII With Data Logger and PC
CAN OBDII With PC Only for Real Time Data Viewing
Daisy Chaning CAN OBDII
CAN OBDII Compatibility
Vehicle OBD Connector Pin Assignments For CAN OBDII
CAN OBDII Configuration
CAN OBDII Data Output Channels
CAN OBDII Pin Connections
CAN OBDII Specifications
Pass-by R41-R51 Noise Emissions Test System
Overview And Features
R41 Test Procedure
Specification
Peli Case
DASH
Sound Meters
Laser Trigger
Laptop
Modem
What Is In The Box
Installing The System
Installation Check List
Mounting The Peli Case
Connections
Power
CAN Bus Connection
RPM
Throttle Position
DASH
Setting Up The Test Site
Installing the PC software
Configuring The System
Configuring The DL1
Opening The Software
Configure TheRPM
Configure The Throttle Position
Configure The DASH
How to decode RPM using the Pass-by noise CAN raw data option
Performance Software
Opening The Software
Starting A New Test
Analyse Data
Editing Script
Status LED Meaning
Producing Noise Emissions Results
Calculations Spreadsheet
Frequently Asked Questions
RT CONNECT
What is in the box
Specification
Connections
Display information
Output data format
Installing the RT CONNECT
RT CONNECT software
RT LIVE v2 - motorsport and industrial
What is in the box
Quick Start Guide
Specification
RT Live v2 Aux Messages
Installation
Connections
Power consumption
Data Priority and Data Rates
Data security
Configuring the RT LIVE unit
Status LCD
Information and warning messages
Connecting to other equipment
iButton driver identification
How do I connect to AiM device
Lap timing
Terms and Conditions for RT LIVE
Registering a RT LIVE unit
Operation of the RT LIVE Web site
RT LIVE billing
Optional data SIM package
Setting up SIM cards
RTK BASE
What is in the box
Specification
Connections
Display information
Output data format
Installing and configuring the RTK BASE
RTK BASE software
Restarting after power off or moving the antenna
RTK BASE Portable
What is in the box
Specification
Connections
Display information
Output data format
Installing and configuring the RTK BASE Portable
RTK BASE Portable software
Restarting after power off or moving the antenna
Charging the RTK BASE Portable
RTSS
Introduction
Technical Specification
Installation
External Sensors
GT Cup
Connections
Standard GT Loom
Software
Race Series Manager
DL1 Configuration Software
RTSS - How do I
Get team access
Grant team access
Configure the system remotely
Configure alarm LED
Check which systems are online
Replace SIM
RTSS S, L and SL
Technical Specification
Installation
Bahrain Circuit Racing Club
SRO
GT CUP
Porsche Club
Britcar
B-QUIK Thailand Super Series
Connections
Software - RTSS S, L and SL
RTSS S configuration
RTSS L configuration
RTSS SL configuration
Race Series Manager
How do I - RTSS S, L and SL
Get team access
Grant team access
Replace SIM
SPEED10
Parts supplied
Before starting
Specification
LED functions
Mounting the unit
Connections
SPEED100
What is in the box
Specification
Connections
Display information
Output data format
Selection of GNSS correction source - SPEED100
Using radio link - Modem
Using internet connection
Installing the SPEED100
SPEED100 Software
SPEEDBOX
Overview and Features
SPEEDBOX MINI
Installation
Standard
IMU
INS Compact Dual Antenna
INS Single Antenna
Operating the SPEEDBOX
Using SPEEDBOX data in Analysis
Getting results from the SPEEDBOX
Processing the SPEEDBOX CAN data
SPEEDBOX INS option
Output Data Formats
CAN Output
Serial-USB Output
Analog Output
Pulse Output
LED Functions
Specifications
Dimensions
Full SPEEDBOX CNC
Full SPEEDBOX diecast
SPEEDBOX mini CNC
SPEEDBOX mini diecast case
Connector Details
Accuracy
Acceleration
Speed and Distance
Positional
Gradient
Heading
Attitude - INS option only
Speed and Distance -INS option
Dead Reckoning-INS option
Triggered test measurement values
FAQ
Gradient and pitch
Altitude standard
THERMO12
Parts supplied
Before starting
Specification
LED functions
Mounting the unit
Connections
USB programming lead
Sensors
Sensor calibrations
Temperature sensors
Oil and Water
Air
Thermocouple
Thermocouple Amplfier
Pressure sensors
Oil and Fuel
Intake and Ambient
Brake Pressure
Movements sensors
Steering Angle
Throttle Angle
Other sensor types
Heart Rate Monitor
LC 2 Wideband Lambda Controller
Wideband AFR sensor
Wheel Speed
VRS Signal conditioner and pulse divider
RPM conditioner
Legacy Products
DL1 PRO / WP and and DL2
Introduction
Differences between DL1 PRO and DL1 WP
Tech Specification
Installation
DL1 PRO / WP
DL2
Quick Start Guide
Installing the DL1 PRO in the vehicle
DL1 PRO Default Configuration
Logging data using the DL1 PRO
Analysing data from the DL1 PRO
Operation
External sensors
Connections
DL1 PRO / WP
DL2
Live Speed option
How do I
Manually commence logging on DL1 PRO
Connect a start stop switch to the DL1 PRO
Load a licence file
Connect and set up a GoPro interface cable DL1 PRO
Connect a logging indicator to the DL1 PRO
Connect 1 or 2 Wire Sensor to DL1 PRO
Read data from an ECU to display or log DL1 PRO
Log DASH2 analogue inputs using DL1 PRO
Why will not my DL1 PRO start logging
Connect an RPM input to the DL1 PRO
Why did my DL1 PRO stop
Wiring external LEDs to the DL2 AUX connector
FAQ
Software
Important notes about compact flash
Pedal position sensor
Fuel flow sensor
VIDEO4
What is in the Box
Getting Started
Hardware Installation
Connecting Cameras
Audio
Using the Live Video Out feed
Connection to Other Hardware
Interfacing the VIDEO4 to 3rd party products
Mounting in the car
Mounting Cameras
Powering up the VIDEO4
General Operation
Manual Start or Stop Logging
Formatting CF Cards
LED Indicators
Controlling from a DASH
Suitable CF cards
Recording Times for CF Cards
Reflashing and configuring a DASH
VIDEO4 Firmware
Current Firmware Version
Copying Current Firmware
Updating Firmware
Reverting Back to Old Firmware
Configuration
Lap Time Statistics
VIDEO4 professional
VIDEO4 with GPS-Quick Installation Guide
VIDEO4 Options
Battery Backup
Built in GPS and Accelerometer
20Hz GPS
Analogue and RPM input
4 cam widescreen license
Technical
Technical Specification
Connectors
VIDEO4 SPORT without GPS
VIDEO4 SPORT with GPS
VIDEO4 Professional
Cables
Sport
Professional
Dimensions
Sport
Professional
Power supply
Sport
Professional
Files Generated
Vibration of the Main Unit
Temperature of the Main unit
Check the VIDEO4 CPU load
What format is the Video file
Video Playback with 3rd Party Software
Video Problems
Detecting why a VIDEO4 unexpected stopped recording
PC software
FAQs
Connecting Hardware
Unit Configurations
DL1 Config for DASH
DL1 Config for VIDEO4
DL1mk2 Config to record data from SPEEDBOX
DL1mk3 Config to record data from SPEEDBOX
SPEEDBOX for use with DLx or VIDEO4
VIDEO4 Config to record data from SPEEDBOX
VIDEO4 Config for DASH
VIDEO4 Config for DL1
Powering ECU adapters
CAN OBD adapter
Serial OBD adapter
DLx - ECU
DLx - ECU - AM8
DLx - DASHx
DLx - ECU - DASHx
DLx - ECU - AM8 - DASHx
DLx - ECU - PC
ECU - DASHx
ECU - PC
DLx - IMU06
DLx - IMU06 - DASHx
DLx - SPEEDBOX
VIDEO4 - DLx
VIDEO4 - ECU
VIDEO4 - DLx - ECU
VIDEO4 - DLx - DASHx
VIDEO4 - ECU - DASHx
VIDEO4 - DLx - ECU - DASHx
VIDEO4 - SPEEDBOX
DL2 - THERMO12_ANALOG16
DL2 - THERMO12_ANALOG16 - SPEEDBOX
DASH4PRO - THERMO12_ANALOG16
RT LIVE - DL1
RT LIVE - DASHx
RT LIVE - DL1 - DASHx
RT LIVE - DL1 - DASHx - ECU interface
RT LIVE
RT LIVE Specification
Aux Messages
Installation
Connections
Power consumption
Data Priority and Data Rates
Data security
Configuring the RT LIVE unit
Operation of the LEDs
Information and warning messages
Connecting to other equipment
iButton driver identification
How do I connect to AiM device
Lap timing
Introduction to the RT LIVE PRO
Macro Support
Automatic run processing
Remote Live data
Local Live data
Terms and Conditions for RT LIVE
Registering a RT LIVE unit
Operation of the RT LIVE Web site
RT LIVE billing
Optional data SIM package
Setting up SIM cards
Restoring backup firmware
Connecting Hardware
Unit Configurations
DL1 Config for DASH
DL1mk2 Config to record data from SPEEDBOX
DL1mk3 Config to record data from SPEEDBOX
SPEEDBOX for use with DLx
Powering ECU adapters
CAN OBD adapter
Serial OBD adapter
DLx - ECU
DLx - ECU - AM8
DLx - DASHx
DLx - ECU - DASHx
DLx - ECU - AM8 - DASHx
DLx - ECU - PC
ECU - DASHx
ECU - PC
DLx - IMU06
DLx - IMU06 - DASHx
DLx - SPEEDBOX
DL2 - THERMO12_ANALOG16
DL2 - THERMO12_ANALOG16 - SPEEDBOX
DASH4PRO - THERMO12_ANALOG16
RT LIVE - DL1
RT LIVE - DASHx
RT LIVE - DL1 - DASHx
RT LIVE - DL1 - DASHx - ECU interface
Lap Timing Guide
Adding markers using the Analysis
Adding markers from a dashboard
Configuring DL1-VIDEO4-DASHx
Configuring DL1-DASHx
Common errors when doing lap timing
Circuit locations
General
External Inputs
Mounting a GPS antenna
Power supply requirements
Adding wheel speed sensors
General advise for first use
Compact Flash Card Information
CAN Termination
Connecting RPM sensors
HT lead pickup
Low tension pickup
Remote and on plug packs
Other RPM sources
General unit mounting points
Acceptable temperature and vibration
4G LTE Certification
Software
Analysis v10
User interface
Menu bar
Toolbar
Layers
Using Custom and default window
Using Interactive mode
Selecting Data Ranges
Selecting Data Points
Stepping Through Data
Printing Windows
Shortcut Keys for Common Functions
Analysis tools
Track map
Track map options
Data Tab
View Options Tab
How to guides
Track markers
Setting lap and sector markers
Using Track markers with open circuits
Displaying multiple traces
Track Map colouring
Downloading Maps as Background
Map annotations
Virtual Dashboard
XY graph
Bar chart
Performance calculations
Performance tables
Custom tables
Copying data and printing
Power Measurements
SPEEDBOX triggered tests
Marker based measurement
Lap and sector times
Selection Scratchpad
Summary statistics
Variable values table
Quick XY graph
Video Camera Views
Realtime playback controls
Video Export
Text Object
Measurement Methods
Configuration
Run manager
General Tab
Run Information Tab
Car and Simulation Options Tab
Video Setup Tab
Variable manager
Variable Order Calculation
Variable Descriptions
Common
Digital
GPS
Attitude
Time
Angle
Pressure
Temperature
Auxilliary
Miscellaneous
Simulated
Triggered Test
Native Units
Custom Transformations
Equations
Mathematical Functions
Options
Advanced options
Advanced and User Filtering
Calculus Settings
Maximum Rate of Change Filter
Interpolation Type
Analysis options
General Options
Video loading options
GPS Options
Vehicle options
Mounting
Accelerometers
Gears
RPM and Wheel Speed
Vehicle Constants
Power
Lap and sector options
The Lap Marker Tab
The Sector Setup Tab
Start of run marker Tab
General options Tab
Automated markers Tab
Lap Simulation
How to enable
Configuring
Clearing and Reprocessing options
Aerodynamics
Managing data
Loading and saving
Raw Data
Processed Data
Default Vehicle Options
Default Simulation Options
General Options
Marker and Sector Information
Screen Layouts
Exporting data
High accuracy export
File types
Variable calculation
Technical
Filter Lag
Best theoretical lap
Command line arguments
Exporting High Accuracy GPS
Measured Power
Measuring power and torque
Time Slip And Time Slip Rate
Auto Load Car Files
Recommended procedures for measuring power
Signal noise
Using Licences
Configuring And Zeroing Accelerometers
How Do I
Configure a sensor
Set up the DL1 for Analogue Gear Sensors
Adjust GPS maps
Change units
Compare different drivers
Export data
Display track maps
Activate variables
Calculate lap times
Load data
Load multiple runs
Place a start marker
Remove spikes
Open graphs
View the track in stages
Add sensor details
Compare laps
Compare runs with different sensor setups
Add an end marker
Do timings on open circuit
Process Boat data
Use With Bike Data
Get started
Improve a noisy sensor trace
Get sector times
Calculate the best theoretical time
Calculate acceleration time
Automatically add sectors
Maths channel with time dependency
GoPro Video Support
GoPro Only Software
Data that is available
Loading multiple videos
Compatible models
Compatible recoding modes
Synchronisation accuracy
How do I
Load RUN files and associated videos
Synchronise GoPro videos
Export GoPro videos with data overlays
Record long videos
Video software utilities
GoPro video joiner
Video playback
Video Overlay Designer
Advanced overlay editor
Step by step guide to designing a simple overlay
Opening the application and selecting overlay type
Adding video source controls for camera views
Adding a track map
Creating a speedometer
Saving and loading overlays
Defining groups and assigning controls
Adding editable properties to groups
Assigning variables
Auto-update names and units
IF function equations and adding limit stops
How Do I
Make Custom-Video-Overlays appear in Video Export
Virtual Dashboard Designer
Variable Tree
Lap File Editor
Quick Start Guide
Adding a new track
Saving track maps
Editing the track layout
Add Markers
Zooming and panning
Add Features
Reference Sector Times
Using tracks with other applications
Using lap markers from the map database with Analysis Track map
Displaying markers and sectors on dashboards and exported videos
Hardware Configuration Software
ANALOG8
Configuring ANALOG8
Configuration Software
Configuring for use with DL1Mk1-Mk2-Sport
Configuring for use with DASH2
Configuring for use with DL1Mk3-Club-Pro-WP and DASH2 PRO-DASH4 PRO
Configuring for use with SPEEDBOX
ANALOG16
CAN Interface
CATS - Complete Automotive Test System
DASH2
Analogue inputs
ECU Interface
Other data sources
RPM Input
Unit control inputs
Setup speed input
Setup RPM Scale
Setup shift lights
Setup gear indicator
Setup LCD data area
Lap timing
Alarms
DASH2 PRO
Analogue inputs
RPM And Wheel Speed Inputs
Unit control inputs
Accelerometer
Configuration Sets
ECU Interface
CAN Configuration for DASH2 PRO
Configuring the CAN reception
Configuring the CAN transmission
Mapping CAN data to a RT data channel
Loading and saving CAN configuration files
Importing CAN data from a DBC file
Variable Source
Variable Reset Group
Output Drivers
Output Serial data
Logging
Set up display
Set up LCD display area
Set up shift lights
Set up gear indicator
Set up RPM scale
Set up speed readout
Set up configuration sets
Alarms
Lap timing
Car computer functions
DASH4PRO
DASH4PRO User Interface
DASH4PRO Menu Bar
Tool bar
Design Area
Variable Tree
Control Properties
Graph properties
BarChart properties
Numeric Display Properties
Simple Text properties
Text Results object
Using DASH4PRO Software
Creating a New Layout
Loading an Existing Layout
Sending the configuration to the DASH4PRO
Reading Configuration from DASH4PRO
Automatic Switching Between Data Screens
CAN on DASH4PRO
DASH4PRO CAN output
RPM Configuration
Displaying Gears
Configuring Shift Lights
Performance Indicator
Reference Sector Times
DASH4PRO Menu configuration
Speed and Distance options
Triggered SPEEDBOX Test configuration
General Options
DASH4PRO FD
DASH4PRO FD User Interface
Menu Bar
Tool bar
Design Area
Variable Tree
DASH4PRO FD Control Properties
Graph properties
BarChart properties
Numeric Display Properties
Simple Text properties
Text Results object
Image control properties
Using DASH4PRO FD Software
Creating a New Layout
Loading an Existing Layout
Sending the configuration to the DASH4PRO FD
Reading Configuration from DASH4PRO FD
Storing DBC files in DASH4PRO FD
Automatic Switching Between Data Screens
CAN on DASH4PRO FD
DASH4PRO FD CAN output
RPM Configuration
Displaying Gears
Configuring Shift Lights
Performance Indicator
DASH4PRO FD Menu configuration
Triggered SPEEDBOX Test configuration
DL1 CLUB/PRO/DL2/RTSS S
ECU interface
Analogue inputs
Frequency inputs
RPM inputs
Unit control inputs
Gyro
Accelerometer
CAN Configuration
Configuring the CAN reception
Configuring the CAN Transmission
Mapping CAN data to a RT data channel
Loading and saving CAN configuration files
Importing CAN data from a DBC file
RAW CAN reception
Variable mapping
Output Drivers
Output Serial data
Flash card storage
Automatic logging control
DL1 FD/DL2 FD
ECU interface
Analogue inputs
Frequency inputs
RPM inputs
Unit control inputs
Accelerometer
DL1 FD-DL2 FD CAN Configuration
Configuring the CAN reception
Configuring the CAN Transmission
Mapping CAN data to a RT data channel
Loading and saving CAN configuration files
Importing CAN data from a DBC file
RAW CAN reception
Variable mapping
Output Drivers
Output Serial data
Flash card storage
Automatic logging control
DL1 SPORT
GPS2
Loading-saving-sending and reading configuration
Configuring the GPS2 RTK operation mode
Configuring GSM and NTRIP settings
Configuring the GPS2 CAN output
Reflashing the GPS2
SPEEDBOX
Introduction-Sending and Reading the configuration
General
Vehicle Installation
INS Setup
Output Serial Data
Calibration
Output CAN data
Pulse Output
Analogue
Test Parameters
THERMO12
Race Series Manager
Creating configuration
Opening Race Series Manager
Collecting data
No data available
Sharing the data
RT CLOUD
Run List
Run Details Page
Live Map
Live Data page
Settings page
Account page
Live Monitor
User Interface Introduction
Connecting to the hardware
Connecting to RT Cloud
Data Table
Virtual dashboard
Scripted Tests
Results Explorer
Variable Manager
Outputting Data
Displaying Text Messages
Displaying Raw Data
Streaming Data to the PC
Remotely start logging on the device
Loading DBC and CAN files
Speed Profile
Combining graphics overlays with live videos using OBS
Run Processor
Run file processing options
Command line switches
File operations
Input File
Output file format
Separator
Loading variables
Raw data Frequency
Load DBC Files
Run file length in seconds for splitting
Triggered Tests
RT Program Launcher
Advanced Options
File Manager
Local Tab
RT Cloud Tab
SD Card Tab
USB Tab
Variable and CAN Manager
CAN variable naming rules
Legacy Software
Analysis v8.5
User interface
Menu bar
Toolbar
Layers
Snap grid
Custom and default window
Interactive mode
Selecting Data Ranges
Selecting Data Points
Stepping Through Data
Printing
Reset Configuration
ShortcutKeys
Video Support Overview
GoPro Video Support
Licensing required for GoPro support
GoPro model and mode compatibility
Data loggers compatible with the GoPro
Loading in video from a GoPro
Synchronizing video from a GoPro with data from a data logger
Viewing GoPro video alongside data in Analysis
Exporting GoPro video with data overlays
Pitfalls and Gotchas
Joining GoPro Videos
Analysis tools
Track map
Track map options
Data Tab
View Options Tab
How to guides
Track markers
Setting lap and sector markers
Track markers with open circuits
Displaying multiple traces
Map colouring
Downloading Maps as Background
Track map annotations
XY graph
Bar chart
Performance calculations
Performance tables
Custom tables
Copying data and printing
Power Measurements
SPEEDBOX triggered tests
Marker based measurement
Lap and sector times
Selection Scratchpad
Summary statistics
Variable values table
Quick XY graph
Video Camera Views
Virtual dashboard
Realtime playback controls
Video Export
Exporting Video From A VIDEO4 With Graphics Overlay
Exporting Video From A GoPro or other 3rd party cameras With Graphics Overlay
Text Object
Measurement Methods
Configuration
Run manager
General Tab
Car and Simulation Options Tab
Video Setup Tab
Variable manager
Variable Order Calculation
Variable Descriptions
Standard Variables
External Inputs
GPS Variables
Serial Variables
Native Units
Custom Transformations
External DLL
Script
Equations
Mathematical Functions
Options
Advanced options
Calculus Settings
Maximum Rate of Change Filter
Advanced and User Filtering
Analysis options
Mapping Options
Speed Options
GPS Options
Data Options
Database Options
Colours
Video Options
DBC Files
DBC Vars
Serial options
Vehicle options
Mounting
Accelerometers
Gears
RPM and Wheel Speed
Vehicle Constants
Power
Lap and sector options
The Lap Marker Tab
The Sector Setup Tab
Start of run marker Tab
General options Tab
Automated markers Tab
Lap Simulation
How to enable
Configuring
Clearing and Reprocessing options
Default paths
Aerodynamics
Managing data
Managing CAN variables
Downloading data
Loading and saving
Raw Data
Loading Multiple RUN files
Processed Data
Default Vehicle Options
Screen Layouts
Variable Information
Marker and Sector Information
Exporting data
File types
Variable calculation
Technical
Filter Lag
PPP mode
Configuring PPP mode
Using PPP mode
Problems using PPP mode
Best theoretical lap
Command line arguments
Exporting High Accuracy GPS
Measured Power
Measuring power and torque
Time Slip And Time Slip Rate
Auto Load Car Files
Recommended procedures for measuring power
Signal noise
Compact flash information
Registering a DLL
Using Licences
Translations
Configuring And Zeroing Accelerometers
How Do I
Configure a sensor
Set up the DL1 for Analogue Gear Sensors
Adjust GPS maps
Change units
Select the start directory
Compare different drivers
Export data
Display track maps
Plot a 3D Map
View losses
Activate variables
Calculate lap times
Load data
Load multiple runs
Place a start marker
Remove spikes
Open graphs
Manually add sectors
Find support
Re-format a CF card
View the track in stages
Improve the resolution
Add sensor details
Connect my own sensor
Compare laps
Compare runs with different sensor setups
Add an end marker
Do timings on open circuit
Process Boat data
Use With Bike Data
Get started
Improve a noisy sensor trace
Get sector times
Print graphs
Make Presentation Graphs
Using Print Window command
Print to PDF
Copy window bitmap to clipboard
Copy to Excel
Calculate the best theoretical time
Calculate acceleration time
Automatically add sectors
Video Overlay Configuration
Tool bar
Menu bar
Variables Pane
Layout Controls
Bitmap Properties
Alpha Blending Explained
Simple Text Properties
Digital Display Properties
Bargraph Properties
Analogue Dial Properties
Track Map Properties
Custom Dial Properties
Dynamic Line Properties
Examples
Design Pane
Adding a control to the design area
Selecting Multiple Controls
Editing a control in the design area
Video export lap timing statistics
Configuring DASH2
Variable scaling
Setup screens
RPM setup
Variable naming
Variable filtering
Gear indicator
Alarms
Transferring the config file
OtherOptions
SPEEDBOX config V85
Introduction-Sending and Reading the configuration
General
Vehicle Installation
INS Setup
RTK
Output Serial Data
Calibration
Output CAN data
Pulse Output
Analogue
Test Parameters
DL1 and DL2 configuration
The Configuration Tool
Update Rates
Start Stop Control
File Naming
Serial Port Configuration
Frequency Inputs
For CAN and ECU Interface
Configuration Procedure
Reflashing
Reflashing data logger devices
Reflashing the DL1 MK3-CLUB-PRO-WP
Reflashing the DASH2
Reflashing the SPEEDBOX
Reflashing the SPEEDBOX20
Reflashing the CAN, ECU and OBD Interface
Reflashing the DASH1 and VOB
Reflashing the BRAKEBOX
Updating the BRAKEBOX Firmware
Reflashing the DASH1 and VOB
Reflashing the BRAKEBOX
Updating the BRAKEBOX Firmware
Device Explorer
Other
General
DASH4PRO Display Only Control Protocol
Firewall access
Race car data logging
Data logging basics
How to set up 1khz logging
Filtering on Displays and Analysis
USB Configuration
GPS Theory and Background
Automotive Testing Applications
Improving Positional Accuracy
Acceleration Speed and Distance
Lever arm offset
Other GPS Data
Required RTCM corrections
Serial Data Format
Data and Configuration Messages
1 Run Information Input
2 Run Status Messages
3 Raw GPS Data Input
4 New Sector Time
5 New Lap Marker
6 Logger Storage Channel
7 GPS Time Storage Channel
8 Accelerations
9 Time Stamp
10 GPS Positional Data
11 Speed Data
12 Padding
13 GPS Pulse Present
14-17 Frequency Inputs
18 RPM Input
19 Serial Data Input
20-51 Analogue Inputs
52 Channel Data Channel
53 Display Data Channel
54 Reflash Channel
55 Date Storage Channel
56 Course Data
57 GPS Altitude And Altitude Accuracy Data
58-61 Extended Frequency Inputs
63 Start Of Run Channel
64 Processed Speed Data
65 Gear Set Up Data
66 Bargraph Set Up Data
67 Dashboard Set Up Data
68 Dashboard Set Up Data Two
69 New Target Sector Time
70 New Target Marker Time
71 Auxilliary Input Module Number
72 External Temperature Channel
73 External Frequency Channel
74 External Auxiliary Channels
75 External Time Channel
76 New LCD Data Channel
77 New LED Data Channel
78 Pre Calculated Distance Data Channel
79 Yaw Rate Channel
80 Calculated Yaw Channel
81 Pitch Rate Channel
82 Pitch Angle Channel
83 Roll Rate Channel
84 Roll Angle Channel
85 Gradient Channel
86-89 Pulse Count
90 Baseline Channel
91 Unit Control Channel
92 Z Accelerations
93 External Angle Channel
94 External Pressure Channel
95 External Miscellaneous Channel
96 Time Into Lap And Sector Channel
97 High Resolution Event Timer Channel
98 CAN Data Channel
99 User Defined Data Channel
100 High Accuracy Voltage Data
101 Sector Definition Channel
102 General Comms Channel
type 0 - Communication initialise message
type 1 - Request total run file count message
type 2 - Request run file name message
type 3 - Request run file data message
type 4 - Request disconnect message
type 5 - Triggered test data message
type 7 - General text message
type 8 - External adc calibration message
type 9 - Configure performance test
type 32-33-34 - ADAS
type 128 - Time synchronization
103 DVR Communication Channel
104 Video Frame Index
105 NED Velocities
107 General Configuration Channel
108 General Configuration
type 0 - Request Read Bytes
type 1 - Request Write Bytes
type 2 - Read/Write Response
type 3 - Initialize Write Sequence
type 4 - Acknowledge Initial Write
type 5 - End Write Sequence
type 6 - Acknowledge End Write
type 8 - Reset Device
type 9 - Acknowledge Read Fail
type 10 - Request & Acknowledge Analogue Data
type 11 - Request & Acknowledge Accelerometer Data
type 12 - Request & Acknowledge Gyroscope Data
type 13 - Request Gyroscope Disconnect
type 14 - Request To Run Board Test
type 16 - End Of Reflashing
type 17 - Acknowledge Write Fail
type 18 - Request Active User
type 19 - Request To Change User
type 20 - Acknowledge User Messages
type 21 - Flash Sector Read
type 22 - Flash Sector Write
type 23 - Flash Sector Read Reply
type 24 - Flash Sector Write Reply
type 141 - Send Receive GSM test mode data
109 Complete High Precision GPS Solution Data
110 Message Latency
DVR Protocols
ECU Module Channel
Analogue Channel Ordering
Maximum message rate
Installing Race Technology Software
System Requirements
Downloading the Setup
Explanation of Build Numbers
Installing Software
Virus scanning recommendations
Reinstall the programs
Upgrading the Race Technology Software
User Settings Backup
Uninstalling the Setup
Solving installation problems
Software License Agreement
Reflash authorisation
Team Viewer Support
CdA Figures
A
Accura
Alfa Romeo
AM General
Aston Martin
Audi
B
Bently
Bittor
BMH
BMW
Bugatti
Buick
C
Cadillac
Caterham
Chevrolet
Chrysler
Citroen
D
Daihatsu
DeTomaso
DeLorean
Dodge
E
Eagle
F
Ferrari
Fiat
Ford
G
Geo
GMC
H
Honda
Hyundai
I
Infiniti
Italdesign
J
Jaguar
Jeep
Jenson
K
Kia
L
Lamborghini
Lancia
Land Rover
Lexus
Lincoln
Lola
Lotus
M
Maserati
Mazda
McLaren
Mercedes-Benz
Mercury
MG
MGB
Mitsubishi
N
Nissan
O
Oldsmobile
Opel
P
Plymouth
Pontiac
Porsche
R
Range Rover
Renault
S
Saab
Saturn
Sterling
Subaru
Suzuki
T
Toyota
Triumph
TVR
V
Vector
Volkswagen
Volvo
Y
Yugo
CAN Data Format
Introduction
128 (0x80) Inertial Messages
RT Accel
RT Accel FSD
RT Gyro
RT Speed
RT Directional Speed
RT Distance 1
RT Distance 2
130 (0x82) Voltage Messages
131 (0x83) Current Messages
132 (0x84) High Precision Voltage Messages
140 (0x8C) GPS Messages
0 RT GPS Status
1 RT GPS Time
2 RT GPS Pos LLH1
3 RT GPS Pos LLH2
4 RT GPS Pos ECEF 1
5 RT GPS Pos ECEF 2
16 RT GPS Speed
17 RT GPS Vel NED 1
18 RT GPS Vel NED 2
19 RT GPS Vel ECEF 1
20 RT GPS Vel ECEF 2
21 RT GPS Heading Gradient1
22 RT GPS Heading Gradient2
23 GPS Turn Radius
32 RT RTK Attitude
33 RT RTK Slip
34 RT RTK Status
35 RT GPS RTK Sats
36 GPS_RTK Sats RTCM
48 GPS Mcycle Lean
141 (0x8D) Triggered Test Messages
RT_Trigger_Timestamp
RT_Trig_Accel
RT_Trig_Path_Dist
RT_Trig_Forward_Dist
RT_Trig_Direct_Dist
RT_Trig_Initial_Condition
RT_Trig_Final_Condition
RT_Triggered_Test_Status
RT_Trig_MFDD_Thresholds
RT_Trig_MFDD
RT_Trig_Lat_Dist_To_Impact
RT_Trig_Lon_Dist_To_Impact
RT_Trig_Direct_Dist_To_Marker
RT_Trig_Impact_Pos
142 (0x8E) INS Messages
RT INS STATUS
RT INS Attitude
RT INS Pos LLH 1
RT INS Pos LLH 2
RT INS Pos ECEF 1
RT INS Pos ECEF 2
RT INS Vel NED 1
RT INS Vel NED 2
RT INS Vel ECEF 1
RT INS Vel ECEF 2
RT INS Vel Body Axes 2D
RT INS Vel Body Axes 2D 2
RT INS Heading Gradient
RT INS Heading Gradient 2
RT INS Slip
RT INS Turn Radius
RT INS Lat Dist To Start Marker
RT INS Lon Dist To Start Marker
RT INS Direct Dist To Start Marker
RT INS Lat Dist To End Marker
RT INS Lon Dist To End Marker
RT INS Direct Dist To End Marker
143 (0x8F) INS Virtual Point Messages
INS Virtual Point 1 Offset
INS Virtual Point 1 VELNED 1
INS Virtual Point 1 VELNED 2
INS Virtual Point 2 Offset
INS Virtual Point 2 VELNED 1
INS Virtual Point 2 VELNED 2
INS Virtual Point 3 Offset
INS Virtual Point 3 VELNED 1
INS Virtual Point 3 VELNED 2
INS Virtual Point 4 Offset
INS Virtual Point 4 VELNED 1
INS Virtual Point 4 VELNED 2
144 (0x90) Pressure Messages
145 (0x91) Temperature Messages
146 (0x92) Angle Messages
148 (0x94) Auxiliary Messages
149 (0x95) Frequency Messages
150 (0x96) Time Messages
151 (0x97) Miscellaneous Messages
152 (0x98) IR Type Temperature Messages
153 (0x99) Lap Timing Messages
RT_Timeslip
RT_Laptime
RT_Track_Marker
RT_Sector_Time
158 (0x9E) Display Informational Messages
159 (0x9F) Test Configuration Messages
1 RT CFG Test
2 RT CFG Trigger 1
3 RT CFG Trigger 2
4 RT CFG Trigger 3
5 RT CFG Trigger 4
6 RT CFG Test Name 1
7 RT CFG Test Name 2
8 RT CFG MFDD
RT_CFG_Add_Marker
RT_CFG_Update_Start_Marker_1
RT_CFG_Update_Start_Marker_2
RT_CFG_Update_End_Marker_1
RT_CFG_Update_End_Marker_2
Other messages
RT IO Status
NMEA Data Format
1 GPGGA
2 GPGLL
3 GPGSA
4 GPGSV
5 GPRMC
6 GPVTG
7 GPGRS
8 GPGST
9 GPZDA
10 PRTLV
11 PRTLA
12 PRTLT
13 PRTLS
14 PRTLH
15 PRTLP
16 PRTLR
17 PRTLG
18 PRTLO
Text Data Format
Translation Manager
Using Translation Manager
Editing and saving translations
Sorting translations
View last edited translations
Searching
Auto translate all unpopulated strings
Import and Export files
Editing the website
Editing the Wiki
Editing the main website
Edit
History
Print
Download (.HTML)
PDF
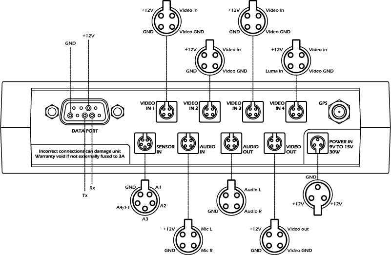
Connectors / VIDEO4SPORTWithGPS
VIDEO4 SPORT with GPS
Edit
-
History
-
Print
-
Download (.HTML)
-
PDF
-
Search
Page last modified on September 29, 2015, at 05:54 AM