Call me back | My basket | Checkout | Add to email list

     You are here: Website » Knowledge base

« back to website

PressureSensors / BrakePressure

Brake Pressure Sensor

This brake pressure sensor is specifically designed for measuring the high pressures in automotive braking systems. It is extremely robust and resistant to brake fluids, mineral oils, water and air.

Application
Pressure range (bar)0 to 260
Pressure reference typeabsolute
Max. pressure320 bar
Operation temp range-40 to 130°C (140°C)
Media temp range-40 to 130°C (140°C)
Storage temp range-30 to 60°C
Mechanical
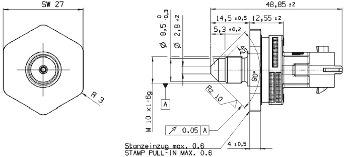
Male threadM10 x 1
Installation torque22Nm in steel 32Nm in aluminium
Weight w/o wire35.2g
Electrical
Power supply4.75 to 5.25 V
Max power supply16 V
Full scale output10 to 90% of supply V ratiometric
Current12 mA
Characteristic
Load capacity10 nF
Output resistance10 Ω
Tolerance (FS)+ 1 % (0 to 100°C) + 1.5 % (-40 to 0°C and 100 to 130°C)
Sensitivity15mV/bar at 5V supply
Offset500mV at 5V supply

Design and function

The sensor is specially designed to measure absolute pressure in gasoline direct injection applications. This sensor is also compatible with other kind of fluids e.g. Diesel, engine oil, transmission oil or brake fluid. The sensor uses a thin layer technique to achieve high accuracy pressure measurements. The stainless steel measuring cells with piezoresistive bridges are hermetically welded with stainless steel pressure ports. The internal reference ensures ambient pressure independent measurements.

The main benefits of this sensor are its high accuracy, its wide measurement range and its robust and compact design.

Installation

Extreme care must be taken installing any product that connects to the braking system of a car - we take absolutely no responsibility for installation, and recommend that if in any doubt you employ a professional!

If the sensor has been supplied by Race Technology with a cable attached then wires from the sensors are:

  • Red - Connect to the +5v reference output from the DL1/DL2/DASH2
  • Black - Connect to ground (0v) on the DL1/DL2/DASH2
  • White - Signal output from the sensor, this can be connected to any of the analogue inputs on the DL1/DL2/DASH2
Page last modified on March 31, 2016, at 03:39 PM